一、霍尔电流传感器概述
霍尔电流传感器主要适用于交流、直流、脉冲等复杂信号的隔离转换,通过霍尔效应原理使变换后的信号能够直接被AD、DSP、PLC、二次仪表等各种采集装置直接采集,广泛应用于电流监控及电池应用、逆变电源及太阳能电源管理系统、直流屏及直流马达驱动、电镀、焊接应用、变频器,UPS伺服控制等系统电流信号采集和反馈控制,具有响应时间快,电流测量范围宽精度高,过载能力强,线性好,抗干扰能力强等X点。

二、安科瑞AHKC-EKBA直流霍尔电流传感器4-20mA输出型号说明

三、安科瑞AHKC-EKBA直流霍尔电流传感器4-20mA输出技术参数

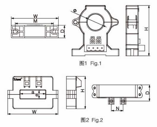
四、开口式开环霍尔电流传感器
4.1 外形尺寸


4.2 规格参数对照表

五 闭口式霍尔电流传感器
5.1 外形尺寸



5.2 规格参数对照表

六、安科瑞AHKC-EKBA直流霍尔电流传感器4-20mA输出接线方式
霍尔(开口式开环)/霍尔(闭口式开环)电流传感器
接线端子定义:

霍尔真X值电流传感器
接线端子定义
