



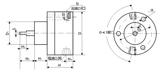
外圆 | 止口 | 安装孔 | 轴 | 高度 | 键长 | 油口 | |||||
型号 | D | D1 | D2 | a | d | H | H1 | H2 | H3 | S | ZG1/4 |
SNBY 0.8/1.6 | Φ73 | Φ36 | Φ53 | 3-Φ7 | Φ8 | 40 | 20 | 18 | 8 | 扁5 | |
Φ40 | Φ52 | 14 | 13 | 7 | |||||||
SNBY 2.5/1.6 | Φ36 (h6) | Φ52 | 47 | 20 | 12 | M14×1.5 | |||||
Φ55 | 45 | 16 | 19 | 8 | M10×1 | ||||||
Φ55 | 43 | 16 | M14×1.5 | ||||||||
Φ65 | Φ36 | Φ52 | 44 | 20 | 20 | 12 | ZG1/4” | ||||
Φ80 | Φ35 | Φ55 | Φ12 | 55 | 25 | 45 | 4.2凹槽 | M14×1.5 | |||
Φ65 | Φ42 | Φ52 | 3-Φ9 | 48 | 21 | 24 | 4×4×12平键 | ||||
5/1.6 | Φ90 | Φ35 | Φ72 | 63 | 5 | 25 | Z3/8” | ||||
16/1.6 | Φ120 | Φ35 | Φ100 | 70 | |||||||
DBB-2 | Φ65 | Φ36 | Φ52 | Φ8 | 36 | 20 | 18 | 10 | 5 | Z1/8” | |
DBB4.5 | Φ90 | Φ35 | Φ75 | 59 | 5 | 10 | 8 | M14×1.5 | |||
DBB2.5 | Φ70 | Φ35 | Φ52 | 4.5 | 40 | 4.5 | 4.5 | 3.5 | 4 | M10×1 | |
DBB-6 | Φ85 | Φ45 | Φ66 | Φ10 | 49 | 20 | 20 | 12 | 6 | Z1/4” | |
注:本产品的主要特点是泵轴在正向、反向旋转时都能在同一个方向等量供油,体积小、外观美、重量轻、噪音低,使用寿命长,适用于中饭向旋转需要供油的润滑系统,,其次还能够作为动力油泵在压力低于1.6MPa小流量的液压系统中使用。
SNB系列双向摆线泵又称可逆式、定流向双向润滑摆线泵,外圆、止口、轴径、进出油口各个厂家不同,也可以按客户需求定做。具体来电咨询:021-80181074 15692175472
欢迎垂询!
